偉肯VACON是丹佛斯集團旗下的全球領先的變頻驅動及逆變器產品品牌。偉肯變頻器擁有完備的電機和過程控制功能,產品的可控性、可編程特性、安裝便利性及模塊化程度更高,可根據各行業過程控制應用的不同要求實現電機驅動的優化,并通過選件卡接入各種現場總線系統。用戶只需根據應用進行簡單的選擇與設定,即可在精確的電機控制與能源節約方面獲得切實的利益回報。以下是偉肯各系列變頻器的接線示意圖。
VACON偉肯10系列變頻器接線圖

VACON偉肯20系列變頻器接線圖


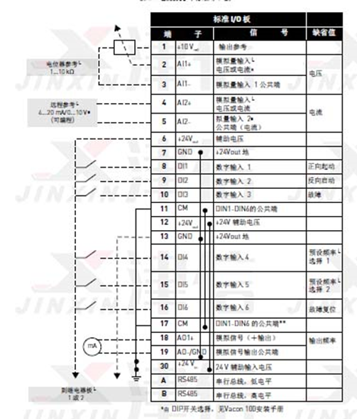
VACON偉肯100系列變頻器接線圖


VACON偉肯NX系列變頻器接線圖


